User Tools

Site Tools


Sidebar

Dan's Wiki

DokuWiki Instructions (local) DokuWiki Manual
Site Checker (Orphans Wanted)

Edit Sidebar

projects:a4sim:hardware:steppers:28byj48steppermotor

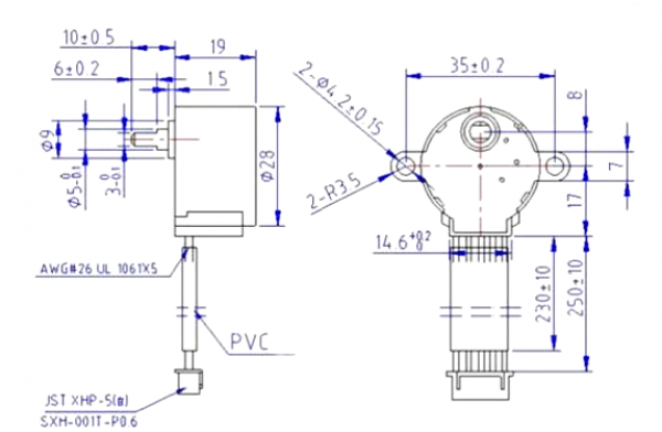
Stepper Motor - 28BYJ-48

28BYJ-48 Stepper Motor.

Might be able to use it by rearranging the gearing. As it is, this unit has high torque, but maybe only 30 rpm - inadequate for the Altimeter hand.

3D Printing makes it possible to bracket and tap the motion from the gearing. By connecting to a 2nd gear (instead of 4th), it appears to be a 1:28 reduction, instead of 1:64.

Volts5 Volts
TypeUnipolar (5 leads)
Stride Angle
Step Pitch
5.625 degrees per step, 64 steps per turn

Where to use 28-BYJ48 Stepper Motor

The most commonly used stepper motor is the 28-BYJ48 Stepper Motors. You can find this (or similar) motors in your DVD drives, Motion camera and many more place. The motor has a 4 coil unipolar arrangement and each coil is rated for +5V hence it is relatively easy to control with any basic microcontrollers. These motors has a stride angle of 5.625°/64, this means that the motor will have to make 64 steps to complete one rotation and for every step it will cover a 5.625° hence the level of control is also high. However, these motors run only on 5V and hence cannot provide high torque, for high torque application you should consider the Nema17 motors. So if you are looking for a compact easy to use stepper motor with decent torque then this motor is the right choice for you.

How to use 28-BYJ48 Stepper Motor

These stepper motors consume high current and hence a driver IC like the ULN2003 is mandatory. To know how to make this motor rotate we should look into the coil diagram below.

28byj48-step-motor-datasheet.pdf

projects/a4sim/hardware/steppers/28byj48steppermotor.txt · Last modified: 2021/02/13 07:43 by dwheele